ソーラーパネル/パワーコンディショナ/太陽光部材専門店 [ソーラーオフ]

クレジットカードがご利用いただけます。

カートに商品がありません。

現在の中身:0点


 
【Vシリーズ 単結晶83W】東芝 太陽光パネル 台形 LPV-83RV-BLK-J 【Vシリーズ 単結晶83W】東芝 太陽光パネル 台形 LPV-83RV-BLK-J 【Vシリーズ 単結晶83W】東芝 太陽光パネル 台形 LPV-83RV-BLK-J 【Vシリーズ 単結晶83W】東芝 太陽光パネル 台形 LPV-83RV-BLK-J
【Vシリーズ 単結晶83W】東芝 太陽光パネル 台形 LPV-83RV-BLK-J 【Vシリーズ 単結晶83W】東芝 太陽光パネル 台形 LPV-83RV-BLK-J 【Vシリーズ 単結晶83W】東芝 太陽光パネル 台形 LPV-83RV-BLK-J 【Vシリーズ 単結晶83W】東芝 太陽光パネル 台形 LPV-83RV-BLK-J

【Vシリーズ 単結晶83W】東芝 太陽光パネル 台形 LPV-83RV-BLK-J

東芝の単結晶83Wの20セルモジュール。
貴重な台形サイズです。
Vシリーズはセルの色味がEシリーズより若干暗いですが、仕様は同じです。
生産終了品のため、在庫限りです。

アウトレット理由
メーカー保証期間が終了のため。(当店の製品保証は1年間付きます)
※新品です。

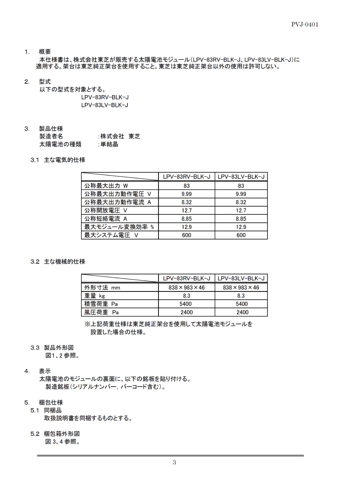
製品仕様
・セルタイプ:単結晶
・セルの配列:20枚
・最大出力(Pmax):83W
・開放電圧(Voc):12.7V
・短絡電流(Isc):8.85A
・最大出力動作電圧(Vmp):9.99V
・最大出力動作電流(Imp):8.32A
・モジュール変換効率:12.9%
・サイズ:983mm×838mm×46mm
・重量:8.3kg
・バイパスダイオード:有(逆流防止ダイオードは無)
・コネクタ:MC4と互換性あり
・ケーブル:1000mm

製品詳細は仕様書をご参照ください。

保証
自社保証です。(納品日より)
・出力保証1年
・製品保証1年
保証書はコチラ

納期
約1週間です。

注意事項
車上渡しのため、必ずお客様で荷受けをお願いします。(原則ドライバーのお手伝いや置き配はできません)
※9枚以下はバラ梱包、10枚以上はパレット配送となります。必ず木パレットもお受け取りください。
※路線便のため、時間指定はできません。(日付指定は日曜・祝日以外できます)
※時間指定のチャーター便やユニック車は別途費用がかかります。
4t車が入れない場合は進入可能な場所での受け渡しか、最寄りの営業所止めとなります。
※在庫状況や災害、交通事情により遅れる場合がございます。予めご了承ください。
※パワコン以外のオフグリッドの接続方法についてはチャージコントローラーやバッテリー等の接続機器のメーカー(または販売店)に直接お問い合わせください。

送料区分

西濃運輸営業所止めの場合は、1枚(個)につき550円の割引
※営業所引き取りをご希望の方はこちらで事前にお調べの上、注文備考欄にご希望の営業所名を記載お願いします。
※メーカー直送品や送料無料商品は対象外

【まとめ割】20枚以上のご購入で商品代金より10%OFF!
※割引は対象商品に限り、送料は対象外です。
※決済ページで割引価格が反映されます。

100枚以上のご購入で商品代金より20%OFF〜
※チャーター送料と合わせて見積りしますので、こちらよりお問い合わせください。
※セール商品は対象外です。
  • 商品コード:LPV-83RV-BLK-J
  • 製造元:東芝
  • 価格:8,800 (税込)
  • 数量 
    残りあと34個

ご注文の流れ

  1. ログイン/新規会員登録
    会員登録画面をご用意しています。登録なしでもご購入できます。 登録料、年会費の負担はございません。
    ※会員登録をされますと、クレジットカード決済がご利用可能です。
  2. ご注文/お客様情報記入
    商品をカートに入れて、カートページより数量、金額をご確認して下さい。ご注文手続きページに進み、お客様 情報を入力して下さい。
  3. 支払方法選択
    クレジットカード及びオンライン決済(会員限定)・銀行振込からご指定下さい。

  4. 配送指定
    日付指定は可能です(日、祝は不可)が時間指定はできません。時間指定や車種指定の場合は別途費用がかかりますので、ご発注前にお問い合わせください。
  5. 通知メール
    ご注文確定後、銀行振込確認後、配送日確定後、配送伝票確定後それぞれメールでご連絡致します。WEB領収書の発行もメールにて通知致します。
  6. 返品/交換
    返品交換は商品に破損や不具合があり、商品到着後7日以内にご連絡をいただいたもののみお受けいたします。
    ※商品出荷後のお客様都合による注文キャンセルには対応いたしかねます。