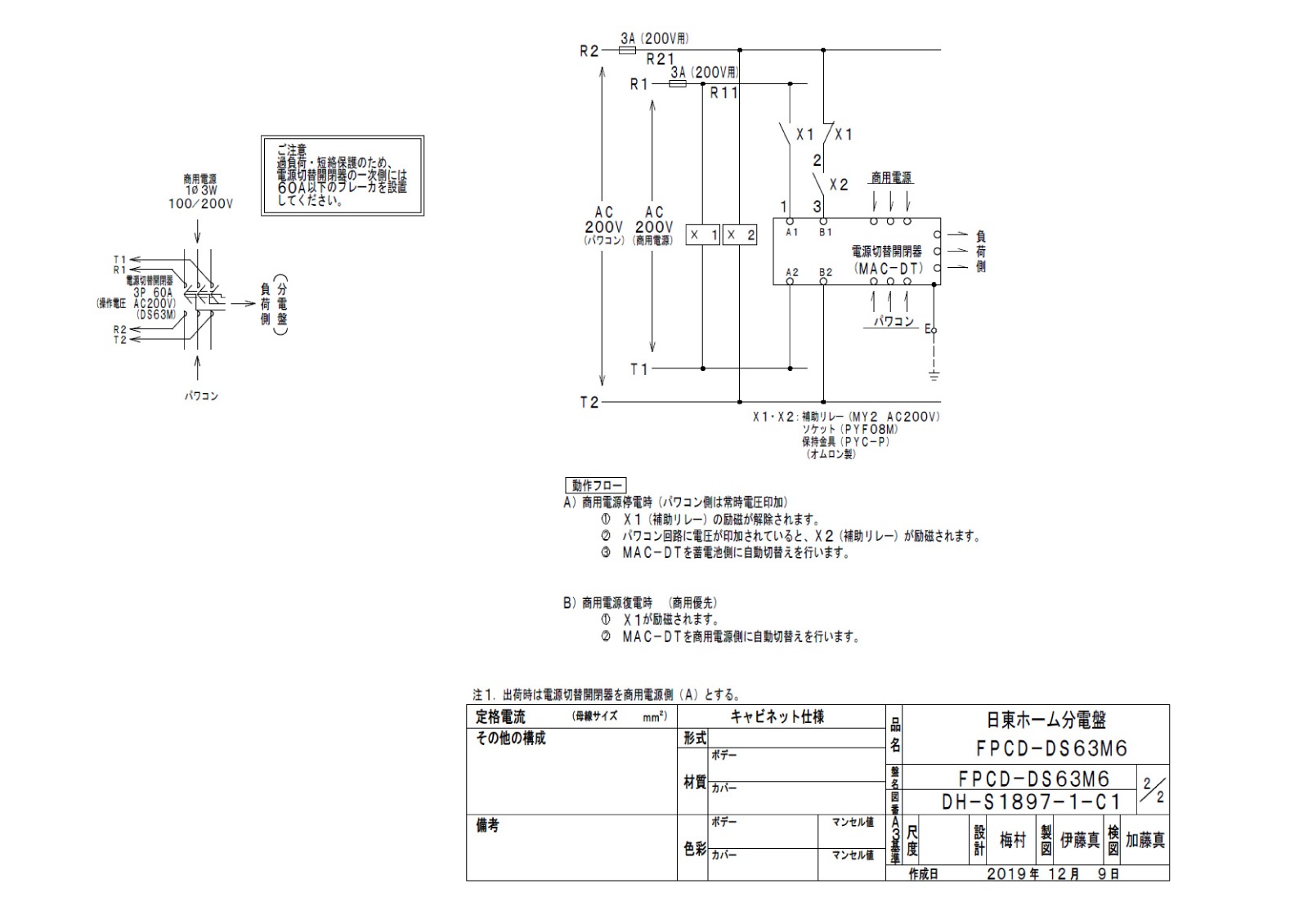
日東工業社の屋内用ドア付FPボックスと自動電源切替開閉器の電源切替BOXです。
EIBS7の必須部材です。
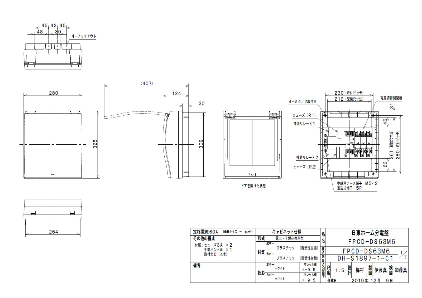
製品仕様
形式:露出・半埋込共用型(キャビネット仕様)
定格電流:60A
ヒューズ:3A×2
外形寸法:W325×H730×D124mm
製品詳細は
仕様書をご参照ください。
保証
メーカー保証です。(納品日より)
・製品保証1年
納期
約2週間ですが、
メーカー直送品のため在庫状況によって変動する場合があります。
注意事項
※路線便のため時間指定の確約はできません(日付指定は平日・土曜のみ可能です)
※時間指定のチャーター便やユニック車は別途費用がかかります。
※
4t車が入れない場合は進入可能な場所での受け渡しか、最寄りの営業所止めとなります。
※在庫状況や災害、交通事情により遅れる場合がございます。予めご了承ください。
